全国统一服务热线
400-610-6025
首 页
企业简介
公司概况
证书荣誉
组织结构
业务范围
业绩案例
工艺材料
星空体育app登录入口中国有限公司
资料下载
联系我们
当前位置:
>
图集
>
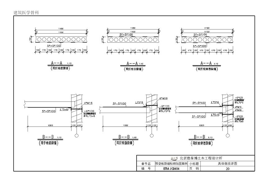
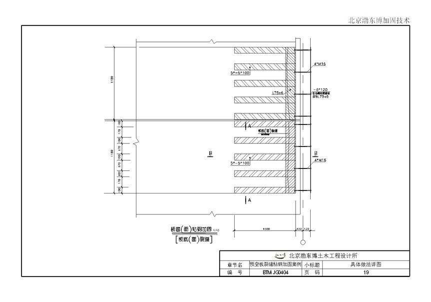
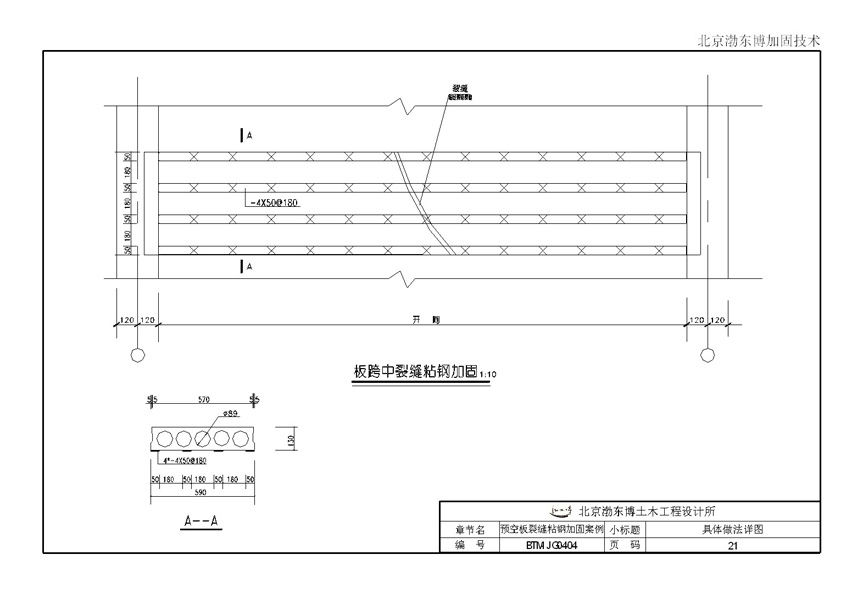
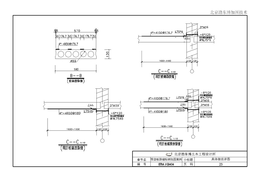
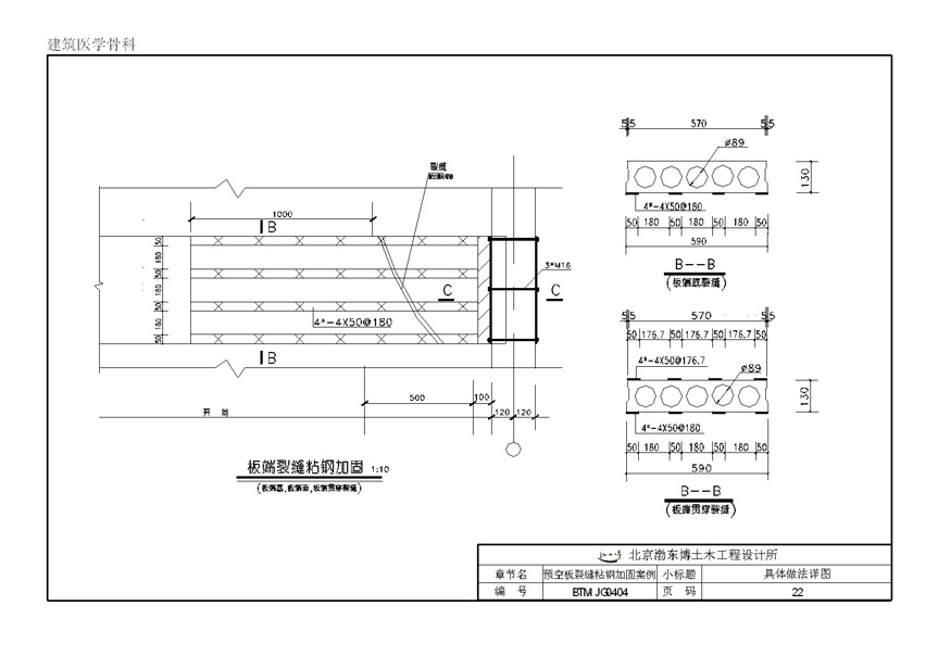
预空板裂缝粘钢加固案例
预空板裂缝粘钢加固案例
版权所有:星空体育app登录入口中国有限公司
邮箱:jiagu@bodongbo.com
传真:010-64403408
电话:400-610-6025 800-810-6025 010-64403428
地址:北京市朝阳区北苑东路19号院2号楼1206室(中国铁建广场C座)
京ICP备2022035419号-1
球速手机官网
|
欧冠买球官网
|
jbo首页
|
万搏五大联赛
|
欧冠官网
|
球速·体育
|
亚美官方端网站登录入口
|
球速体育(QIUSU)官方网站
|